



精湛的細節

精湛的細節
HCFL200

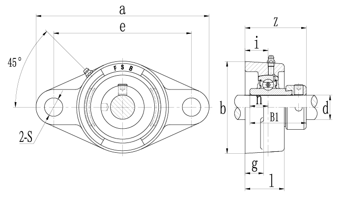
| ? ? 帶座軸承型號 ? ? | 軸 徑 | 尺 ? ? ? ? ? ? ? 寸 | 螺 栓 | 軸承芯型號 | 軸承座型號 | 基本額定載荷 | 疲勞極限載荷 | ? ? ?極限轉速(SRS) ? ?軸的配合公差(h6) | 重量 | |||||||||||||
|---|---|---|---|---|---|---|---|---|---|---|---|---|---|---|---|---|---|---|---|---|---|---|
| mm | in | mm / in | mm | in | — | — | 動載荷 | 靜載荷 | m | |||||||||||||
| d | a | e | i | g | l | S | b | Z | Bi | n | Cr | Cor | Cur | r / min | ≈Kg | |||||||
| KN | ||||||||||||||||||||||
| HCFL201 | 12 | — | 99 | 76.5 | 15 | 11 | 24.5 | 11.5 | 57 | 38.4 | 37.3 | 13.9 | M10 | — | HC201 | FL203 | 9.56 | 4.75 | 0.20 | 9500 | 0.5 | |
| HCFL201-8 | — | 1/2 | 3-57/64 | 3-1/64 | 19/32 | 7/16 | 31/32 | 29/64 | 2-1/4 | 1.5118 | 1.4685 | 0.5472 | — | 3/8 | HC201-8 | |||||||
| HCFL202 | 15 | — | 99 | 76.5 | 15 | 11 | 24.5 | 11.5 | 57 | 38.4 | 37.3 | 13.9 | M10 | — | HC202 | FL203 | 9.56 | 4.75 | 0.20 | 9500 | 0.5 | |
| HCFL202-10 | — | 5/8 | 3-57/64 | 3-1/64 | 19/32 | 7/16 | 31/32 | 29/64 | 2-1/4 | 1.5118 | 1.4685 | 0.5472 | — | 3/8 | HC202-10 | |||||||
| HCFL203 | 17 | — | 99 | 76.5 | 15 | 11 | 24.5 | 11.5 | 57 | 38.4 | 37.3 | 13.9 | M10 | — | HC203 | FL203 | 9.56 | 4.75 | 0.20 | 9500 | 0.5 | |
| HCFL203-11 | — | 11/16 | 3-57/64 | 3-1/64 | 19/32 | 7/16 | 31/32 | 29/64 | 2-1/4 | 1.5118 | 1.4685 | 0.5472 | — | 3/8 | HC203-11 | |||||||
| HCFL204 | 20 | — | 113 | 90 | 15 | 12 | 25.5 | 12 | 60 | 41.6 | 43.7 | 17.1 | M10 | — | HC204 | FL204 | 12.70 | 6.55 | 0.28 | 8500 | 0.7 | |
| HCFL204-12 | — | 3/4 | 4-7/16 | 3-35/64 | 19/32 | 15/32 | 1 | 15/32 | 2-3/8 | 1.6378 | 1.7205 | 0.6732 | — | 3/8 | HC204-12 | |||||||
| HCFL205 | 25 | — | 130 | 99 | 16 | 14 | 27 | 16 | 68 | 42.9 | 44.3 | 17.4 | M14 | — | HC205 | FL205 | ?14.00 | 7.8 | 0.34 | 7000 | 0.8 | |
| HCFL205-14 | — | 7/8 | 5-1/8 | 3-57/64 | 5/8 | 9/16 | 1-1/16 | 5/8 | 2-11/16 | 1.6890 | 1.7441 | 0.6850 | — | 1/2 | HC205-14 | |||||||
| HCFL205-15 | — | 15/16 | HC205-15 | |||||||||||||||||||
| HCFL205-16 | — | 1 | HC205-16 | |||||||||||||||||||
| HCFL206 | 30 | — | 148 | 117 | 18 | 14 | 31 | 16 | 80 | 48.15 | 48.4 | 18.25 | M14 | — | HC206 | FL206 | 19.5 | 11.20 | 0.48 | 6300 | 1.2 | |
| HCFL206-18 | — | 1-1/8 | 5-13/16 | 4-39/64 | 45/64 | 9/16 | 1-7/32 | 5/8 | 3-5/32 | 1.8957 | 1.9055 | 0.7185 | — | 1/2 | HC206-18 | |||||||
| HCFL206-19 | — | 1-3/16 | HC206-19 | |||||||||||||||||||
| HCFL206-20 | — | 1-1/4 | HC206-20 | |||||||||||||||||||
| HCFL207 | 35 | — | 161 | 130 | 19 | 16 | 34 | 16 | 90 | 51.3 | 51.1 | 18.8 | M14 | — | HC207 | FL207 | 25.50 | 15.30 | 0.66 | 5300 | 1.6 | |
| HCFL207-20 | — | 1-1/4 | 6-11/32 | 5-1/8 | 3/4 | 5/8 | 1-11/32 | 5/8 | 3-17/32 | 2.0197 | 2.0118 | 0.7402 | — | 1/2 | HC207-20 | |||||||
| HCFL207-21 | — | 1-5/16 | HC207-21 | |||||||||||||||||||
| HCFL207-22 | — | 1-3/8 | HC207-22 | |||||||||||||||||||
| HCFL207-23 | — | 1-7/16 | HC207-23 | |||||||||||||||||||
| HCFL208 | 40 | — | 175 | 144 | 21 | 16 | 36 | 16 | 100 | 55.9 | 56.3 | 21.4 | M14 | — | HC208 | FL208 | 30.7 | 19.0 | 0.80 | 4800 | 1.9 | |
| HCFL208-24 | — | 1-1/2 | 6-7/8 | 5-43/64 | 53/64 | 5/8 | 1-13/32 | 5/8 | 3-15/16 | 2.2008 | 2.2165 | 0.8425 | — | 1/2 | HC208-24 | |||||||
| HCFL208-25 | — | 1-9/16 | HC208-25 | |||||||||||||||||||
| HCFL209 | 45 | — | 188 | 148 | 22 | 18 | 38 | 19 | 108 | 56.9 | 56.3 | 21.4 | M16 | — | HC209 | FL209 | 33.2 | 21.6 | 0.92 | 4300 | 2.3 | |
| HCFL209-26 | — | 1-5/8 | 7-13/32 | 5-53/64 | 55/64 | 23/32 | 1-1/2 | 3/4 | 4-1/4 | 2.2402 | 2.2135 | 0.8425 | — | 5/8 | HC209-26 | |||||||
| HCFL209-27 | — | 1-11/16 | HC209-27 | |||||||||||||||||||
| HCFL209-28 | — | 1-3/4 | HC209-28 | |||||||||||||||||||
| HCFL210 | 50 | — | 197 | 157 | 22 | 18 | 40 | 19 | 115 | 60.1 | 62.7 | 24.6 | M16 | — | HC210 | FL210 | 35.1 | 23.20 | 0.98 | 4000 | 2.6 | |
| HCFL210-30 | — | 1-7/8 | 7-3/4 | 6-3/16 | 55/64 | 23/32 | 1-9/16 | 3/4 | 4-17/32 | 2.3661 | 2.4685 | 0.9685 | — | 5/8 | HC210-30 | |||||||
| HCFL210-31 | — | 1-15/16 | HC210-31 | |||||||||||||||||||
| HCFL210-32 | — | 2 | HC210-32 | |||||||||||||||||||
| HCFL211 | 55 | — | 224 | 184 | 25 | 20 | 43 | 19 | 130 | 68.65 | 71.4 | 27.75 | M16 | — | HC211 | FL211 | 43.6 | 29.00 | 1.25 | 3600 | 3.8 | |
| HCFL211-32 | — | 2 | 8-13/16 | 7-1/4 | 63/64 | 25/32 | 1-11/16 | 3/4 | 5-1/8 | 2.7028 | 2.8110 | 1.0925 | — | 5/8 | HC211-32 | |||||||
| HCFL211-34 | — | 2-1/8 | HC211-34 | |||||||||||||||||||
| HCFL211-35 | — | 2-3/16 | HC211-35 | |||||||||||||||||||
| HCFL212 | 60 | — | 250 | 202 | 29 | 20 | 48 | 23 | 140 | 75.85 | 77.8 | 30.95 | M20 | — | HC212 | FL212 | 52.7 | 36.00 | 1.53 | 3400 | 4.8 | |
| HCFL212-36 | — | 2-1/4 | 9-27/32 | 7-61/64 | 1-9/64 | 25/32 | 1-7/8 | 29/32 | 5-1/2 | 2.9862 | 3.0630 | 1.2185 | — | 3/4 | HC212-36 | |||||||
| HCFL212-38 | — | 2-3/8 | HC212-38 | |||||||||||||||||||
| HCFL212-39 | — | 2-7/16 | HC212-39 | |||||||||||||||||||
| HCFL213 | 65 | — | 258 | 210 | 30 | 24 | 50 | 23 | 155 | 81.3 | 85.6 | 34.3 | M20 | — | HC213 | FL213 | 57.2 | 40.00 | 1.70 | 3000 | 6.0 | |
| HCFL213-40 | — | 2-1/2 | 10-5/32 | 8-17/64 | 1-3/16 | 15/16 | 1-31/32 | 29/32 | 6-3/32 | 3.2008 | 3.3701 | 1.3504 | — | 3/4 | HC213-40 | |||||||
| HCFL214 | 70 | — | 265 | 216 | 31 | 24 | 54 | 23 | 160 | 82.2 | 85.3 | 34.1 | M20 | — | HC214 | FL214 | 62.4 | 45.00 | 1.86 | 2800 | 6.3 | |
| HCFL214-42 | — | 2-5/8 | 10-7/16 | 8-1/2 | 1-7/32 | 15/16 | 2-1/8 | 29/32 | 6-5/16 | 3.2362 | 3.3830 | 1.3425 | — | 3/4 | HC214-42 | |||||||
| HCFL214-43 | — | 2-11/16 | HC214-43 | |||||||||||||||||||
| HCFL214-44 | — | 2-3/4 | HC214-44 | |||||||||||||||||||
| HCFL215 | 75 | — | 275 | 225 | 35 | 22 | 57 | 23 | 165 | 89.6 | 92.1 | 37.5 | M20 | — | HC215 | FL215 | 66.3 | 49.00 | 2.04 | 2600 | 7.2 | |
| HCFL215-48 | — | 3 | 10-13/16 | 8-55/64 | 1-3/8 | 55/64 | 2-1/4 | 29/32 | 6-1/2 | 3.5276 | 3.6260 | 1.4764 | — | 3/4 | HC215-48 | |||||||









