


精湛的細節

精湛的細節
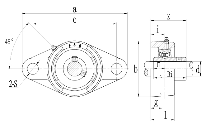
UCFL200

| 帶座軸承型號 ? ? | 軸 徑 | 尺 ? ? ? ? ? ? ? 寸 | 螺 栓 | 軸承芯型號 | 軸承座型號 | 基本額定載荷 | 疲勞極限載荷 | ?極限轉速(SRS) 軸的配合公差(h6) | ?重量 | |||||||||||||
|---|---|---|---|---|---|---|---|---|---|---|---|---|---|---|---|---|---|---|---|---|---|---|
| mm | in | mm / in | mm | in | — | — | 動載荷 | 靜載荷 | m | |||||||||||||
| d | a | e | i | g | l | S | b | Z | Bi | n | Cr | Cor | Cur | r / min | ≈Kg | |||||||
| KN | ||||||||||||||||||||||
| UCFL201 | 12 | — | 113 | 90 | 15 | 12 | 25.5 | 12 | 60 | 33.3 | 31.0 | 12.7 | M10 | — | UC201 | FL204 | 12.70 | 6.55 | 0.28 | 8500 | 0.5 | |
| UCFL201-8 | — | 1/2 | 4-7/16 | 3-35/64 | 19/32 | 15/32 | 1 | 15/32 | 2-3/8 | 1.3110 | 1.2205 | 0.5000 | — | 3/8 | UC201-8 | |||||||
| UCFL202 | 15 | — | 113 | 90 | 15 | 12 | 25.5 | 12 | 60 | 33.3 | 31.0 | 12.7 | M10 | — | UC202 | FL204 | 12.70 | 6.55 | 0.28 | 8500 | 0.5 | |
| UCFL202-10 | — | 5/8 | 4-7/16 | 3-35/64 | 19/32 | 15/32 | 1 | 15/32 | 2-3/8 | 1.3110 | 1.2205 | 0.5000 | — | 3/8 | UC202-10 | |||||||
| UCFL203 | 17 | — | 113 | 90 | 15 | 12 | 25.5 | 12 | 60 | 33.3 | 31.0 | 12.7 | M10 | — | UC203 | FL204 | 12.70 | 6.55 | 0.28 | 8500 | 0.5 | |
| UCFL203-11 | — | 11/16 | 4-7/16 | 3-35/64 | 19/32 | 15/32 | 1 | 15/32 | 2-3/8 | 1.3110 | 1.2205 | 0.5000 | — | 3/8 | UC203-11 | |||||||
| UCFL204 | 20 | — | 113 | 90 | 15 | 12 | 25.5 | 12 | 60 | 33.3 | 31.0 | 12.7 | M10 | — | UC204 | FL204 | 12.70 | 6.55 | 0.28 | 8500 | 0.5 | |
| UCFL204-12 | — | 3/4 | 4-7/16 | 3-35/64 | 19/32 | 15/32 | 1 | 15/32 | 2-3/8 | 1.3110 | 1.2205 | 0.5000 | — | 3/8 | UC204-12 | |||||||
| UCFL205 | 25 | — | 130 | 99 | 16 | 14 | 27 | 16 | 68 | 35.7 | 34.0 | 14.3 | M14 | — | UC205 | FL205 | 14.00 | 7.80 | 0.34 | 7000 | 0.6 | |
| UCFL205-14 | — | 7/8 | 5-1/8 | 3-57/64 | 5/8 | 9/16 | 1-1/16 | 5/8 | 2-11/16 | 1.4055 | 1.3386 | 0.5630 | — | 1/2 | UC205-14 | |||||||
| UCFL205-15 | — | 15/16 | UC205-15 | |||||||||||||||||||
| UCFL205-16 | — | 1 | UC205-16 | |||||||||||||||||||
| UCFL206 | 30 | — | 148 | 117 | 18 | 14 | 31 | 16 | 80 | 40.2 | 38.1 | 15.9 | M14 | — | UC206 | FL206 | 19.50 | 11.20 | 0.48 | 6300 | 0.9 | |
| UCFL206-18 | — | 1-1/8 | 5-13/16 | 4-39/64 | 45/64 | 9/16 | 1-7/32 | 5/8 | 3-5/32 | 1.5827 | 1.5000 | 0.6260 | — | 1/2 | UC206-18 | |||||||
| UCFL206-19 | — | 1-3/16 | UC206-19 | |||||||||||||||||||
| UCFL206-20 | — | 1-1/4 | UC206-20 | |||||||||||||||||||
| UCFL207 | 35 | — | 161 | 130 | 19 | 16 | 34 | 16 | 90 | 44.4 | 42.9 | 17.5 | M14 | — | UC207 | FL207 | 25.50 | 15.30 | 0.66 | 5300 | 1.2 | |
| UCFL207-20 | — | 1-1/4 | 6-11/32 | 5-1/8 | 3/4 | 5/8 | 1-11/32 | 5/8 | 3-17/32 | 1.7480 | 1.6890 | 0.6890 | — | 1/2 | UC207-20 | |||||||
| UCFL207-21 | — | 1-5/16 | UC207-21 | |||||||||||||||||||
| UCFL207-22 | — | 1-3/8 | UC207-22 | |||||||||||||||||||
| UCFL207-23 | — | 1-7/16 | UC207-23 | |||||||||||||||||||
| UCFL208 | 40 | — | 175 | 144 | 21 | 16 | 36 | 16 | 100 | 51.2 | 49.2 | 19.0 | M14 | — | UC208 | FL208 | 30.70 | 19.0 | 0.80 | 4800 | 1.6 | |
| UCFL208-24 | — | 1-1/2 | 6-7/8 | 5-43/64 | 53/64 | 5/8 | 1-13/32 | 5/8 | 3-15/16 | 2.0157 | 1.9370 | 0.7480 | — | 1/2 | UC208-24 | |||||||
| UCFL208-25 | — | 1-9/16 | UC208-25 | |||||||||||||||||||
| UCFL209 | 45 | — | 188 | 148 | 22 | 18 | 38 | 19 | 108 | 52.2 | 49.2 | 19.0 | M16 | — | UC209 | FL209 | 33.20 | 21.60 | 0.92 | 4300 | 1.9 | |
| UCFL209-26 | — | 1-5/8 | 7-13/32 | 5-53/64 | 55/64 | 23/32 | 1-1/2 | 3/4 | 4-1/4 | 2.0551 | 1.9370 | 0.7480 | — | 5/8 | UC209-26 | |||||||
| UCFL209-27 | — | 1-11/16 | UC209-27 | |||||||||||||||||||
| UCFL209-28 | — | 1-3/4 | UC209-28 | |||||||||||||||||||
| UCFL210 | 50 | — | 197 | 157 | 22 | 18 | 40 | 19 | 115 | 54.6 | 51.6 | 19.0 | M16 | — | UC210 | FL210 | 35.10 | 23.20 | 0.98 | 4000 | 2.2 | |
| UCFL210-30 | — | 1-7/8 | 7-3/4 | 6-3/16 | 55/64 | 23/32 | 1-9/16 | 3/4 | 4-17/32 | 2.1496 | 2.0315 | 0.7480 | — | 5/8 | UC210-30 | |||||||
| UCFL210-31 | — | 1-15/16 | UC210-31 | |||||||||||||||||||
| UCFL210-32 | — | 2 | UC210-32 | |||||||||||||||||||
| UCFL211 | 55 | — | 224 | 184 | 25 | 20 | 43 | 19 | 130 | 58.4 | 55.6 | 22.2 | M16 | — | UC211 | FL211 | 43.60 | 29.00 | 1.25 | 3600 | 3.2 | |
| UCFL211-32 | — | 2 | 8-13/16 | 7-1/4 | 63/64 | 25/32 | 1-11/16 | 3/4 | 5-1/8 | 2.2992 | 2.1890 | 0.8740 | — | 5/8 | UC211-32 | |||||||
| UCFL211-34 | — | 2-1/8 | UC211-34 | |||||||||||||||||||
| UCFL211-35 | — | 2-3/16 | UC211-35 | |||||||||||||||||||
| UCFL212 | 60 | — | 250 | 202 | 29 | 20 | 48 | 23 | 140 | 68.7 | 65.1 | 25.4 | M20 | — | UC212 | FL212 | 52.70 | 36.00 | 1.53 | 3400 | 4.1 | |
| UCFL212-36 | — | 2-1/4 | 9-27/32 | 7-61/64 | 1-9/64 | 25/32 | 1-7/8 | 29/32 | 5-1/2 | 2.7047 | 2.5630 | 1.0000 | — | 3/4 | UC212-36 | |||||||
| UCFL212-38 | — | 2-3/8 | UC212-38 | |||||||||||||||||||
| UCFL212-39 | — | 2-7/16 | UC212-39 | |||||||||||||||||||
| UCFL213 | 65 | — | 258 | 210 | 30 | 24 | 50 | 23 | 155 | 69.7 | 65.1 | 25.4 | M20 | — | UC213 | FL213 | 57.20 | 40.00 | 1.70 | 3000 | 5.1 | |
| UCFL213-40 | — | 2-1/2 | 10-5/32 | 8-17/64 | 1-3/16 | 15/16 | 1-31/32 | 29/32 | 6-3/32 | 2.7441 | 2.5630 | 1.0000 | — | 3/4 | UC213-40 | |||||||
| UCFL214 | 70 | — | 265 | 216 | 31 | 24 | 54 | 23 | 160 | 75.4 | 74.6 | 30.2 | M20 | — | UC214 | FL214 | 62.40 | 45.00 | 1.86 | 2800 | 5.9 | |
| UCFL214-44 | — | 2-3/4 | 10-7/16 | 8-1/2 | 1-7/32 | 15/16 | 2-1/8 | 29/32 | 6-5/16 | 2.9685 | 2.9370 | 1.1890 | — | 3/4 | UC214-44 | |||||||
| UCFL215 | 75 | — | 275 | 225 | 35 | 22 | 57 | 23 | 165 | 79.5 | 77.8 | 33.3 | M20 | — | UC215 | FL215 | 66.30 | 49.00 | 2.04 | 2600 | 6.4 | |
| UCFL215-48 | — | 3 | 10-13/16 | 8-55/64 | 1-3/8 | 55/64 | 2-1/4 | 29/32 | 6-1/2 | 3.1299 | 3.0630 | 1.3110 | — | 3/4 | UC215-48 | |||||||
| UCFL216 | 80 | — | 290 | 233 | 35 | 23 | 59 | 25 | 180 | 84.3 | 82.6 | 33.3 | M22 | — | UC216 | FL216 | 72.80 | 53.00 | 2.16 | 2400 | 7.9 | |
| UCFL216-50 | — | 3-1/8 | 11-13/32 | 9-11/64 | 1-3/8 | 29/32 | 2-21/64 | 63/64 | 7-3/32 | 3.3189 | 3.2520 | 1.3110 | — | 7/8 | UC216-50 | |||||||
| UCFL217 | 85 | — | 305 | 248 | 36 | 26 | 63 | 25 | 190 | 87.6 | 85.7 | 34.1 | M22 | — | UC217 | FL217 | 83.20 | 62.00 | 2.40 | 2200 | 9.6 | |
| UCFL217-52 | — | 3-1/4 | 12 | 9-49/64 | 1-27/64 | 1-1/32 | 2-15/32 | 63/64 | 7-15/32 | 3.4488 | 3.3740 | 1.3425 | — | 7/8 | UC217-52 | |||||||
| UCFL218 | 90 | — | 320 | 265 | 40 | 26 | 68 | 25 | 205 | 96.3 | 96.0 | 39.7 | M22 | — | UC218 | FL218 | 95.60 | 72.00 | 2.70 | 2000 | 12.1 | |
| UCFL218-56 | — | 3-1/2 | 12-19/32 | 10-7/16 | 1-37/64 | 1-1/32 | 2-43/64 | 63/64 | 8-1/16 | 3.7913 | 3.7795 | 1.5630 | — | 7/8 | UC218-56 | |||||||










